typy wzmacniaczy, które omawialiśmy do tej pory, nie mogą działać skutecznie na częstotliwościach radiowych, nawet jeśli są dobre w częstotliwościach Audio. Ponadto wzmocnienie tych wzmacniaczy jest takie, że nie będzie się różnić w zależności od częstotliwości sygnału, w szerokim zakresie., Pozwala to na wzmocnienie sygnału równie dobrze w zakresie częstotliwości i nie pozwala na wybór określonej pożądanej częstotliwości przy odrzuceniu innych częstotliwości.
pojawia się więc potrzeba układu, który może zarówno wybrać, jak i wzmocnić. Tak więc obwód wzmacniacza wraz z wyborem, taki jak układ dostrojony, tworzy dostrojony wzmacniacz.
Co to jest strojony Wzmacniacz?
Wzmacniacze strojone to wzmacniacze, które są wykorzystywane do strojenia. Tuning oznacza wybór., Spośród zestawu dostępnych częstotliwości, jeśli zachodzi potrzeba wyboru określonej częstotliwości, odrzucając jednocześnie wszystkie inne częstotliwości, taki proces nazywa się selekcją. Wybór ten odbywa się za pomocą obwodu zwanego Tuned circuit.
gdy obwód wzmacniacza ma swoje obciążenie zastąpione przez strojony Obwód, taki wzmacniacz można nazwać Strojonym obwodem wzmacniacza. Podstawowy układ wzmacniacza strojonego wygląda tak, jak pokazano poniżej.

Obwód tunera to nic innego jak obwód LC, który jest również nazywany obwodem rezonansowym lub zbiornikowym. Wybiera częstotliwość., Strojony obwód jest w stanie wzmocnić sygnał w wąskim paśmie częstotliwości, które są wyśrodkowane na częstotliwości rezonansowej.
gdy reaktancja induktora równoważy reaktancję kondensatora, w układzie strojonym z pewną częstotliwością, taką częstotliwość można nazwać częstotliwością rezonansową. Jest oznaczony przez ks.,
wzór na rezonans jest
$$2 \pi f_L = \frac{1}{2 \pi f_c}$$
$$f_r = \frac{1}{2 \pi \sqrt{LC}}$$
typy strojonych obwodów
strojony obwód może być obwodem Strojonym szeregowo (szeregowy obwód rezonansowy) lub równoległym obwodem strojonym (równoległy obwód rezonansowy) w zależności od rodzaju jego podłączenie do obwodu głównego.
szeregowy Obwód dostrojony
cewka i kondensator połączone szeregowo tworzą szeregowy Obwód dostrojony, jak pokazano na poniższym schemacie obwodu.,

przy częstotliwości rezonansowej, szeregowy obwód rezonansowy oferuje niską impedancję, która umożliwia wysoki prąd przez niego. Szeregowy obwód rezonansowy oferuje coraz większą impedancję częstotliwości odległych od częstotliwości rezonansowej.
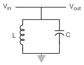
układ strojenia równoległego
cewka i kondensator połączone równolegle tworzą równoległy układ strojenia, jak pokazano na poniższym rysunku.

przy częstotliwości rezonansowej równoległy obwód rezonansowy oferuje wysoką impedancję, która nie pozwala na przepuszczanie przez nią wysokiego prądu., Równoległy obwód rezonansowy oferuje coraz niską impedancję do częstotliwości odległych od częstotliwości rezonansowej.
charakterystyka równoległego obwodu Strojonego
częstotliwość, przy której zachodzi rezonans równoległy (tzn. składowa bierna prądu obwodu staje się zerowa), nazywana jest częstotliwością rezonansową fr. Główne cechy układu dostrojonego są następujące.
Impedancja
stosunek napięcia zasilania do prądu liniowego jest impedancją strojonego obwodu., Impedancja oferowana przez układ LC jest określona przez
$$\frac{Supply \: voltage}{Line equation} = \frac{V}{I}$$
przy rezonansie prąd liniowy wzrasta, podczas gdy impedancja maleje.
poniższy rysunek przedstawia krzywą impedancji równoległego obwodu rezonansowego.

Impedancja obwodu zmniejsza się dla wartości powyżej i poniżej częstotliwości rezonansowej fr. Stąd możliwy jest wybór określonej częstotliwości i odrzucenie innych częstotliwości.,
To obtain an equation for the circuit impedance, let us consider
Line Current $I = I_L cos \phi$
$$\frac{V}{Z_r} = \frac{V}{Z_L} \times \frac{R}{Z_L}$$
$$\frac{1}{Z_r} = \frac{R}{Z_L^2}$$
$$\frac{1}{Z_r} = \frac{R}{L/C} = \frac{C R}{L}$$
Since, $Z_L^2 = \frac{L}{C}$
Therefore, circuit impedance Zr is obtained as
$$Z_R = \frac{L}{C R}$$
Thus at parallel resonance, the circuit impedance is equal to L/CR.,
prąd obwodu
przy równoległym rezonansie prąd obwodu lub linii I jest podawany przez przyłożone napięcie podzielone przez impedancję obwodu ZR, tj.
prąd linii $i = \frac{V}{Z_r}$
gdzie $Z_r = \frac{l}{c r}$
ponieważ ZR jest bardzo wysoki, prąd linii i będzie bardzo mały.
współczynnik jakości
dla równoległego obwodu rezonansowego ostrość krzywej rezonansowej określa selektywność. Im mniejszy opór cewki, tym ostrzejsza będzie krzywa rezonansowa., Stąd reaktancja indukcyjna i Rezystancja cewki determinują jakość dostrojonego obwodu.
stosunek reaktancji indukcyjnej cewki przy rezonansie do jej rezystancji jest znany jako współczynnik jakości. Jest on oznaczony przez Q.
$$Q = \frac{X_L}{R} = \frac{2 \pi f_r L}{R}$$
im wyższa wartość Q, tym ostrzejsza będzie krzywa rezonansowa i tym lepsza będzie selektywność.
zalety strojonych wzmacniaczy
poniżej przedstawiamy zalety strojonych wzmacniaczy.,
-
zastosowanie komponentów reaktywnych, takich jak L I C, minimalizuje straty mocy, co sprawia, że strojone wzmacniacze są wydajne.
-
selektywność i wzmocnienie pożądanej częstotliwości jest wysoka, zapewniając wyższą impedancję przy częstotliwości rezonansowej.
-
zrobiłby to mniejszy kolektor zasilający VCC, ze względu na niewielki opór w układzie równoległym.
należy pamiętać, że te zalety nie mają zastosowania w przypadku dużego obciążenia kolektora oporowego.,
Pasmo przenoszenia Strojonego wzmacniacza
aby wzmacniacz był wydajny, jego wzmocnienie powinno być wysokie. Wzmocnienie to zależy od β, impedancji wejściowej i obciążenia kolektora. Obciążenie kolektora w strojonym wzmacniaczu to układ strojony.
wzmocnienie napięcia takiego wzmacniacza jest podane przez
wzmocnienie napięcia = $\frac{\beta Z_C}{z_{in}}$
Gdzie ZC = efektywne obciążenie kolektora i zin = Impedancja wejściowa wzmacniacza.
wartość ZC zależy od częstotliwości dostrojonego wzmacniacza., Ponieważ ZC jest maksymalny przy częstotliwości rezonansowej, wzmocnienie wzmacniacza jest maksymalne przy tej częstotliwości rezonansowej.
Szerokość pasma
zakres częstotliwości, przy których przyrost napięcia dostrojonego wzmacniacza spada do 70,7% maksymalnego wzmocnienia, nazywa się jego szerokością pasma.
zakres częstotliwości pomiędzy f1 i f2 jest nazywany pasmem pasma dostrojonego wzmacniacza. Szerokość pasma dostrojonego wzmacniacza zależy od Q obwodu LC, tj. od ostrości pasma przenoszenia. Wartość Q i szerokość pasma są odwrotnie proporcjonalne.,
na poniższym rysunku przedstawiono pasmo i Pasmo przenoszenia dostrojonego wzmacniacza.

stosunek Q do pasma
współczynnik jakości Q pasma jest zdefiniowany jako stosunek częstotliwości rezonansowej do pasma, tzn.
$$Q = \frac{f_r}{bw}$$
ogólnie rzecz biorąc, praktyczny obwód ma wartość Q większą niż 10.,
pod tym warunkiem częstotliwość rezonansowa przy równoległym rezonansie jest podana przez
$$f_r = \frac{1}{2 \pi \sqrt{LC}}$$
















Dodaj komentarz